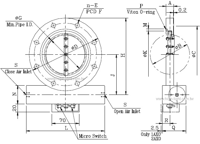
BV-JIS-AXO
X-蝶阀系列
| select | ||||||||||
| Model No. | BV-1AXO | BV-2AXO | BV-2.5AXO | BV-3AXO | BV-4AXO | BV-6AXO | BV-8AXO | BV-10AXO | BV-14AXO | BV-16AXO |
| Parts No. | 10905-- | 10907-- | 10908-- | 10909-- | 10910-- | 10911-- | 10912-- | 10913-- | 10915-- | 10916-- |
| A | 20 | 20 | 20 | 20 | 20 | 26 | 40 | 40 | 50 | 65 |
| B | 34 | 52 | 65 | 80 | 102 | 155 | 208 | 257 | 355 | 391 |
| C | 58 | 88 | 105 | 120 | 145 | 190 | 250 | 302 | 402 | 458 |
| D | 90 | 120 | 145 | 160 | 185 | 235 | 300 | 350 | 450 | 520 |
| F | 70 | 100 | 120 | 135 | 160 | 210 | 270 | 320 | 420 | 480 |
| G | 32 | 51 | 64 | 79 | 101 | 154 | 206 | 253 | 354 | 391 |
| H | 100 | 130 | 155 | 170 | 195 | 245 | 315 | 375 | 465 | 545 |
| J | 55 | 70 | 83 | 90 | 103 | 128 | 165 | 200 | 240 | 285 |
| K | 40 | 70 | 85 | 100 | 120 | 175 | 225 | 275 | 380 | 430 |
| L | 170 | 170 | 200 | 200 | 200 | 270 | 350 | 380 | 584 | 584 |
| M | 5 | 5 | 5 | 5 | 5 | 5 | 8 | 8 | 8 | 8 |
| N | 40 | 40 | 47 | 47 | 47 | 70 | 93 | 105 | 136 | 136 |
| P | V40 | V70 | V85 | V100 | V120 | V175 | V225 | V275 | V380 | V430 |
| Q | 56 | 56 | 61 | 61 | 61 | 79 | 108 | 123 | 185 | 185 |
| R | 18 | 18 | 20 | 20 | 20 | 22 | 23 | 23 | 37 | 37 |
| S | Rp1/8 | Rp1/8 | Rp1/8 | Rp1/8 | Rp1/8 | Rc1/4 | Rc1/4 | Rc1/4 | Rc1/4 | Rc1/4 |
| List Price | P.O.R. | P.O.R. | P.O.R. | P.O.R. | P.O.R. | P.O.R. | P.O.R. | P.O.R. | P.O.R. | P.O.R. |
| n-E | 4-φ10 | 4-φ10 | 4-φ12 | 4-φ12 | 8-φ12 | 8-φ12 | 8-φ15 | 12-φ15 | 12-φ15 | 12-φ19 |
| Select | Model No. | Parts No. | A | B | C | D | F | G | H | J | K | L | M | N | P | Q | R | S | List Price | n-E |
| BV-1AXO | 10905-- | 20 | 34 | 58 | 90 | 70 | 32 | 100 | 55 | 40 | 170 | 5 | 40 | V40 | 56 | 18 | Rp1/8 | P.O.R. | 4-φ10 | |
| BV-2AXO | 10907-- | 20 | 52 | 88 | 120 | 100 | 51 | 130 | 70 | 70 | 170 | 5 | 40 | V70 | 56 | 18 | Rp1/8 | P.O.R. | 4-φ10 | |
| BV-2.5AXO | 10908-- | 20 | 65 | 105 | 145 | 120 | 64 | 155 | 83 | 85 | 200 | 5 | 47 | V85 | 61 | 20 | Rp1/8 | P.O.R. | 4-φ12 | |
| BV-3AXO | 10909-- | 20 | 80 | 120 | 160 | 135 | 79 | 170 | 90 | 100 | 200 | 5 | 47 | V100 | 61 | 20 | Rp1/8 | P.O.R. | 4-φ12 | |
| BV-4AXO | 10910-- | 20 | 102 | 145 | 185 | 160 | 101 | 195 | 103 | 120 | 200 | 5 | 47 | V120 | 61 | 20 | Rp1/8 | P.O.R. | 8-φ12 | |
| BV-6AXO | 10911-- | 26 | 155 | 190 | 235 | 210 | 154 | 245 | 128 | 175 | 270 | 5 | 70 | V175 | 79 | 22 | Rc1/4 | P.O.R. | 8-φ12 | |
| BV-8AXO | 10912-- | 40 | 208 | 250 | 300 | 270 | 206 | 315 | 165 | 225 | 350 | 8 | 93 | V225 | 108 | 23 | Rc1/4 | P.O.R. | 8-φ15 | |
| BV-10AXO | 10913-- | 40 | 257 | 302 | 350 | 320 | 253 | 375 | 200 | 275 | 380 | 8 | 105 | V275 | 123 | 23 | Rc1/4 | P.O.R. | 12-φ15 | |
| BV-14AXO | 10915-- | 50 | 355 | 402 | 450 | 420 | 354 | 465 | 240 | 380 | 584 | 8 | 136 | V380 | 185 | 37 | Rc1/4 | P.O.R. | 12-φ15 | |
| BV-16AXO | 10916-- | 65 | 391 | 458 | 520 | 480 | 391 | 545 | 285 | 430 | 584 | 8 | 136 | V430 | 185 | 37 | Rc1/4 | P.O.R. | 12-φ19 |

单位:mm
BV-JIS-AXO 系列规格图
附注 1: 上图是依据 JISB 2290 真空法兰绘制
※ Htc日扬真空有权做产品规格的修改,但不另行通知。